电缆卷筒

电缆卷筒
产品详情
Products Detail

1、总则


1.1、本说明书适用于 GYCDJ 系列电动电缆卷筒。
1.2 、本电缆卷筒符合中华人民共和国海事局《内河船舶法定检验技术规
则》及其修改通报的有关规定和要求.
1.3、本产品使用前应向减速机中加油。
1.4、卷筒电控部份的工作原理见有关电气说明书。
1.5、卷筒配套设备(电动机、减速齿轮箱)的维护使用说明书分别见各
设备的随机说明书,开机使用前应认真阅读。
1.6、电缆卷筒的型号说明

 

2、工作环境条件 


2.1.工作环境温度:0℃~+50℃
2.2.环境相对湿度:≤95%
2.3.倾斜:15°
2.4.电源:AC380V/(AC220V 50Hz)


3、主要参数

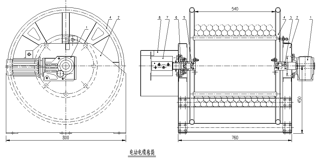
4、主要结构组成 


4.1 由如下主要零部件组成

 

见如下视图

 

4.2 性能特点:


收放缆采用手动按钮控制。控制箱安装在电缆卷筒本体上,可以通过人工在卷筒旁进行收放电缆控制。还设有遥控按钮,可以安放在船舷侧或其他合适的地方进行收放电缆控制。

GYCDJ 系列电动电缆卷筒是电动机将动力传至直交轴齿轮减速箱减速放大后的扭矩驱动电缆卷筒旋转收放岸电缆。通过电机反转放电缆。

4.3、电控方式:、导电滑环结构:
岸电缆与本电缆卷筒的电气连接采用贵金属滑环,整体封闭免维护结构,具有超长工作寿命,电气噪音低,传输信号不衰减,性能稳定可靠。

5 操作 

5.1 启动前的准备
5.1.1 检查主电源电路及电压;
5.1.2 检查各处的机械安装和电气连接的紧固情况;
5.1.3 检查梅花联轴器的对中情况,不能有较大的对中误差;
6.1.4 按齿轮减速箱使用维护说明书的要求给它加润滑油(出厂时已加注);
给滚动轴承加润滑脂;
5.1.5 点动检查电缆卷盘的旋转方向。
6.2 空转效用试验
5.2.1 空转~30min,各种动作运行正常,才可进行缠绕电缆工作;
6.2.2 空转时检查电动机齿轮减速器及卷筒旋转的稳定性、振动和噪音;
电动机的工作电流。
5.3 运转
5.3.1.卷筒运转时,对减速机、电动机、滚动轴承进行观察。不得有异常
发热,噪声及漏液,如果发现故障应及时排除。
5.3.2.注意减速机、电动机、滚动轴承油温,工作油温范围约 20—50℃,
最大不超过 60℃。
5.3.3.卷筒如长期不工作时,亦应定期启动电动机,使卷筒空载运转 5 分
钟左右,每月不少于一次。
6.1.机械安装要求
绞车在出厂时,有关零部件已按要求调整好, 一般安装后即可使用,
若因船舶修理或某种原因需要重新调整,则按以下要求进行:
6.1.1 船上基座上平面不平度误差不大于 0.2mm;
6.2 电气安装接线要求
6.2.1 岸电电缆与贵金属导电滑环接线柱,和导电滑环与岸电箱连接线均
必须可靠连接,并应有止回弹簧垫,以防电缆接线松动。
6.2.2 各电缆接线箱、控制箱、按钮盒进出电缆孔,在完成接线后须有效
密封,以防水防潮。
6.2.3 电缆卷筒主体和按钮盒均设有接地柱,安装时均须作可靠安全接地。
接地导线规格按国家相关标准选择。 
6.2.4 通电试车前,须对所有电气系统作绝缘检查。对地绝缘电阻应不小
于 1MΩ,方可通电试车。
7、维护与保养 
7.1 维护和保养的条件
维护保养时要切断传动装置电源,防止无意间通电!
7.2 减速齿轮箱的保养
7.2.1.要保证减速机工作油液清洁,要定期检查更换油液。出厂时已注入GB/T5903 中的 L-CKC100~L-CKC220 中极压工业齿轮油,在运转 200~300小时后,应进行第一次换油,在以后的使用中应定期(最少每三月一次)检查油的质量,应按运行 5000 小时或每年一次更换新油,如果发现油液变质或粘度不合要求时应立即更换。换油时要等待减速机冷却下来无燃烧危险为止,但仍应保持温热,因为完全冷却后,油的粘度增大,放油困难。

7.2.2.工作中,当发现油温温升超过 80℃或油池温度超过 100℃及产生不
正常的噪声等现象时应停止使用,检查原因,必须排除故障,更换润滑油
后,方可继续运转。

 

 

 

 

 

地址

孝感市临空经济区创新大道

电话

400-027-6599

期待您的来电 400-027-6599

联系电话

咨询邮箱

微信公众号

TOP
联系我们